Купить Датчик геркон Н.О, 3-х проводной, Арт. CSR-232-2, производства Камоцци (Camozzi), вы можете в компании KSAMASTER (КСАМАСТЕР), оформив заказ в интернет магазине, отправив заявку по почте info@ksamaster.com, позвонив по телефону +7 (8552) 919-689 или в офисе компании
Принцип действия = геркон
Соединение = 3-х проводное
Выход = PNP
Напряжение = 5 : 30 V AC/DC
Максимальный ток = 250 mA
Максимальная нагрузка = 10 VA / 8W
Защита = от изменения полярности и перенапряжения
Длина кабеля = 2м
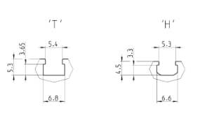
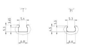
Используется для H-slot и T-slot
Доставка по городу Набережные Челны от 300 рублей (доставка осуществляется 1-2 дня)
Самовывоз бесплатно.
Доставка в другие регионы транспортной компанией или почтой России от 2 до 15 дней (за счет покупателя).
Получите бесплатную консультацию от нашего ведущего специалиста прямо сейчас!